Innhold - Reflektert lyd - Etterklangstid - Ekko - Absorbert lyd - Stående bølger Mikrofonen - Mikrofontyper - Mikrofonkarakteristikk Forsterkeren - Lydkontroll Kompressor/Limiter Støyreduksjon Equlizer Høyttaleren - Virkemåte - Elektrisk tilpasning Mikseren - Oppbygging - Innganger og utganger - Kontrollfunksjoner - Innstillinger og lydbalansen Effektbokser - Kompressor - Romklang Mikrofonplassering - Ullen lyd - P-push - Vindstøy - Klangfull lyd - Faseforvrenging - Equalisering PA-trinnet Monitorer Spesielle problemer - Feed back - Motfase Balansert linje Mikrofonlinje Evne til å høre og å gi lydtegn fra seg, er den viktige sansen til å skape kontakt mellom individer. Dette gjelder spesielt for mennesker, men er også tilfelle for mange dyrearter. Lydteknikeren oppgave er utfra dette å hjelpe mennesker i å ha kontakt med hverandre, spesielt når forholdene ikke ligger naturlig til rette for dette rent akustisk. Den teknikker som først og fremst lager mange fancy effekter som gjør informasjonen vanskelig å oppfatte, har misforstått noe vesentlig. (Noe helt annet er en "effektmaker" som lager en bestemt effekt for å fremheve noe.) På markedet finnes det i dag et voldsomt utvalg av utstyr, laget for at vi skal kunne skape nøyaktig den lyden vi ønsker. Men behersker vi ikke denne teknikken, ender vi fort opp med å gjøre litt vanskelige lydforhold fullstendigt ubrukelig. Rundt om kring i menigheter, foreninger og lag er det ofte ukyndige mennesker som får i oppgave å lage god lyd. Resultatet blir da også der etter. Med dette som utgangspunktet er dette kurset i lydteknikk kommet i gang. Hefte er kun å betrakte som et kursbilag, skrevet i nærmest i illustrert stikkordsform. Og det er kun de mest fundamentale ting innenfor lydteknikken som blir gjennomgått. Og som for de fleste faggrupper, er her en mengde faguttrykk og symboler man bare må lære seg betydningen av skal man kunne kommunisere med bransjen.
©Kjell Magnar Bjørge
Innledning
AKUSTIKK
Lyd gjennom luft
Akustisk karakteristikk
LYDTEKNISK UTSTYR
PA - LYDKONTROLL
KOBLINGER
Innledning
AKUSTIKK
Læren om hvordan lyd forplanter seg i et medium.
Dette er en egen vitenskap som vi må kjenne litt til dersom vi skal kunne justere lyden elektronisk slik at den akustisk sett blir bedre. Og vi skal kun ta hensyn til hørbar lyd som forplanter seg i luft.
Lyd er hurtig varierende lufttrykk. Den forplanter seg ved at trykkbølger sprer seg utover som ringer i vann. Den har en sfærisk forplantningsretning. Lydintensiteten avtar derfor med kvadratet på avstanden.

Vårt øre fungerer som en "trykkmåler". Vi kan derfor registrere disse hurtige trykkendringene som for vår bevissthet oppfattes som en tone.
Siden vi er utstyrt med to ører, har vi også muligheten til å bestemme retningen hvor lyden kommer fra. Denne egenskapen baserer seg dels på fase og dels på nivåforskjell. For grovere toner er det utelukkende faseregistrering og for toner over
2 kHz er det kun nivået som forteller oss retningen. Toner over 6 kHz er det vanskelig å bestemme retningen på innendørs p.g.a. refleksjoner.
Alle rom har sitt eget klangbilde. Det dannes av flere parametrer, med de viktigste er reflektert og absorbert lyd, samt s.k. "Stående bølger".
Reflektert lyd
Ekko og romklang er to kategorier av refleksjoner. Når avstanden mellom lydkilden og reflektert lyd er mer enn 100 ms, greier vår hjerne å oppfatte den reflekterte lyden som et eget signal, dette kaller vi et ekko. Refleksjoner som kommer etter kortere tid vil flyte sammen med lyden fra lydkilden og vi kaller den for romklang.
Overflaten i ulike materialer har stor effekt på hvordan lyd blir reflektert i et rom. Refleksjonene gir "liv" til et rom. Et helt "dødt" rom er ubehagelig å oppholde seg i, men ideelt til lydoverføring.
Romklang og ekko gjør det vanskeligere å oppfatte informasjonen i lyden. Når det gjelder sang og musikk, er det ønskelig med litt klang, for å gjøre musikken fyldigere. Romklang hjelper sangeren i å holde ren tone, og sangeren bemerker at det er "lett" å synge. Til sang og musikk bruker man gjerne kunstig ekko og romklang for å få det til å klinge bedre.
Etterklangstid
Når store deler av lydspekteret blir reflektert mangen ganger, blir det etterklang.
Tiden det tar etter at lyden fra lydkilden har opphørt og til det ikke er hørbar lyd i lokalet (en reduksjon på 60 db) kaller vi etterklangstid.
Etterklangstiden kan påvirkes ved hjelp av absorberingsmaterialer. Det er mengden mer enn plasseringen av absorberingsmaterialer i rommet som påvirker etterklangstiden.
I større rom virker det som etterklangstiden øker med økende lydnivå, til den stabiliseres på et maksimalnivå. Dette fordi lyden reduseres i styrke når den blir reflektert mellom veggene inntil et nivå når reduksjonen er liten i forhold til nivået.

Ekko
I et rom som er større avstand enn 16 m, til en slett hård vegg, vil gi et klart ekko. Dette kan være svært sjenerende, slike vegger bør dekkes med porøse materialer.
Absorbert lyd
Generelt så blir de lyseste tonene først absorbert. Men enkelte materialer har evnen til å dempe spesielle frekvenser. Man kan også konstruere frekvensavhengige lydfeller til å "sile ut" bestemte tone høyder.
Stående bølger
Lavere frekvenser under ca. 150 Hz har liten retningsbestemmelse. De må betraktes som totale trykkforandringer uten noen bestemt retningsutbredelse. I mindre rom der bølgelengden går opp i avstanden mellom tak og vegger, vil det oppstå s.k. stående bølger. Disse dannes etter samme prinsipp som resonansen i en orgelpipe. I rom med stående bølger, vil lyden høres svært forskjellig om man flytter seg bare litt.
Det er vanskelig å få eliminere stående bølger. Overflaten på veggene har liten betydning. Man er nødt til å gjøre konstruksjonsmessige inngrep, i tillegg til å bygge resonatorer for akustisk filtrering.

Man kan få stående bølger mellom gulv og tak, like gjerne som mellom vegger. Dette er først og fremst et bygningsproblem. Men siden lydtknikeren ofte må gjøre slike bygningsmessige vurderinger, nevnes litt her.
(Selv om vi ikke skal lære å bygge studio, er her et par nyttige byggningstips)
Ved bygging av talestudio eller kontrollrom, er disse av en slik størrelse som lett gir stående bølger. Når man da gjerne må isolere og dempe tak og vegger, kan man ta noen forholdsregler som vil avhjelpe problemet med stående bølger. Gulvet vil man helst ha flatt, derfor bygger man et tak som ikke er parallelt med gulvet. Videre sørger man for at heller ingen vegger er helt parallelle. Det trenger ikke være så store skjevheter at de synest, 10 cm pr 4 m. er tilstrekkelig. Taket bygges for øvrig som en stor bassfelle. Rocofon plater opphengt i spesielt rammeverk ca. 30 cm fra taket er en ypperlig bassfelle og ser meget pent ut.
Mikrofon
En mikrofon er enten en "trykkmåler" eller en "vindmåler" (bandmikrofonen). Det vanligste er "trykkmåleren". Der trykkvariasjoner blir omdannet til tilsvarende elektriske variasjoner.
Mikrofontyper.
Det finnes flere mikrofontyper som virker etter hver sine prinsipp: Kullkorn mikrofon, Krystall mikrofon, Band- mikrofon, Dynamisk mikrofon og til slutt Kondensator mikrofonen. Det er vesentlig de to sistnevnte som er i bruk i dag.
Dynamisk mikrofon virker etter samme prinsipp som en høyttaler, en spole beveges i et magnetisk felt (dynamoprinsippet).
Kondensatormikrofonen er egentlig en generator/forsterker som har en av sine komponenter (en kondensator) som lydfølende element. Denne mikrofonen har en meget god følsomhet, og har en helt flat frekvensgang. Dessuten er den upåvirket av induktive felt fra bl.a. teleslynger. Dette siste er en stor ulempe med dynamiske mikrofoner.
Mikrofonkarakteristikker.
Med dette mener vi retning sfølsomheten for en mikrofon. Vi deler de inn i fire typer, men det finnes et utall av overgangstyper. En del dyrere kondensatormikrofoner har kontroller for kontinuerlig overgang mellom de forskjellige karakteristikkene.

Det er verdt å merke seg at karakteristikken endrer seg nokså mye med frekvensen. I bassområdet har nesten alle mikrofoner kulekarakteristikk. Det eneste unntaket er åttetallskarakteristikken som også gjelder for bassområdet.
Forsterkeren
De forholdsvis svake elektriske signalene som kommer fra mikrofonen, må forsterkes. Til dette brukes en mikrofonforsterker og senere linjeforsterker og til slutt, utgangsforsterker.
Det er vesentlig tre faktorer som innvirker på lydkvaliteten gjennom forsterkerne, og det er frekvensgang, forvrenging og støy. Med dagens utstyr bør det ikke være noe problem å oppnå en frekvensgang fra 20 - 20 000 Hz med et avvik på mindre enn +/- 3db som minimumskrav. Imidlertid så er forvrengning og støy de to grensene en lyd-teknikker alltid har å sloss med.

Nivåer
Innen lydteknikken måles nivåer i dBm, dBu, eller dBv.
0 dBm = 1 mW over 600 ohm last. Imidlertid brukes ikke 600 ohms linjer mer, så derfor har man innført spenningsavlesning for samme typen signal dBu.
0 dBu = Roten av 0,6 V
0 dBV = 1 V 0 dBmV = 1 mV o.s.v
Ulike signalkilder har ulike nivå.
Linjenivå: Nominelt er dette 0 dBm, men mange lydstudio bruker + 4 dBm. (En del forbruksutstyr har -10 dbm)
Mikrofon nivå: ca - 60 dBmV
Lydkontroll
Til å måle og kontrollere lyden, har vi flere typer instrument:
- VU-metret viser gjennomsnittsverdien av signalet.
- PPM-metret viser spissverdien av en transient.
- Goniometer viser fordeling og fase i stereobilde
- Fasemeter viser fasen mellom de to stereokanalene
- Spektrometer viser frekvensgangen til signalet
- Loudness viser hvor høy lyden høres ut, uavhengig av innhold og komprimering. Måler virkelig lydenergi
Til en enkel kanal brukes VU-meter og PPM-meter.
VU-metret er ypperlig til å overvåke effekten i lydnivået. Det er derfor egnet i en avviklings kontroll hvor man må ha et mål på lydtrykket uavhengig av lydtype.
PPM-metret er ideell til å overvåke grensen for forvrengning. Det er derfor brukt til å kontrollere inngangsnivået til opptaksmaskiner.

Kompressor/Limiter
Dette er et instrument som rett brukt kan være til stor hjelp med å holde riktig nivå.
De vanlige typene har fire parametrer man må stille inn.
Når man komprimerer lyd, blir signal/støyforholdet dårligere.

Støyreduksjon
Det finnes flere systemer til dette formålet. Mest kjent er vel Dolby og DBX. Alle systemene virker på litt forskjellig måte. Men hovedprinsippet for dem alle er at man komprimerer dynamikken i lyden under innspilling, og ekspanderer den tilsvarende under avspilling. Dette utstyret brukes i forbindelse med opptaksmaskinene, og er ofte fast installert i selve maskinen. Når et opptak er innspilt med en slik støyreduksjon, må det også spilles av med samme type
system. Men etter hvert som digital lyd overtar, vil problemet med støy bli eliminert.
Equalization.
Det er i prinsippet to typer equalizere eller filter. Parametrisk og Grafisk. Sistnevnte brukes helst til å korrigere for romakustikk i monitoreringsrom. På et parametrisk filter kan man variere parameterene frekvens og dybde. På de mest avanserte kan man også variere Q-verdien. Parametriske filter egner seg best til å variere lydbilde, og det er derfor vanligvis installert i miksebordet.
Høyttaleren
Det finnes flere høyttalerprinsipper, men i hovedsak er det den dynamiske høyttaleren som er i bruk.
Virkemåte
De virker omvendt av en dynamisk mikrofon. (Det er fult mulig å bruke en høyttaler som mikrofon.) En spole festet til en membran. Spolen er plassert i et kraftig statisk magnetfelt. Når man sender strømpulser i takt med den lyd man vil frembringe, vil spolen bevege seg og membranen "pumpe" ut trykkbølger i luften.
Elektrisk tilpasning
Vanlige høyttalere til s.k. hi fi lyd er lavohmige ca 4 - 8 ohm. Dette krever høy strøm og tjukke babler. Til større forsamlingslokaler der man i hovedsag vil gjengi tale, brukes høyohmige høyttalere som da har høyere spenning ca. 100 V, men tilføringsledningene trenger ikke være annet enn telefonkabler.
Teleslynge
En teleslynge er en ledningssløyfe som er lagt rundt i lokalet. Rundt denne ledningen blir det indusert et vekslende magnetfelt i takt med lyden. Høreapparat innstilt på "Teleslynge" vil plukke opp dette signalet. Det vil også dynamiske mikrofoner. Det kan derfor føre til store "feed back" -problemer når man bruker dynamiske mikrofoner sammen med teleslynge. Løsningen er å bruke kondensatormikrofoner.
Lydkontrollen i et åpen system hvor mikrofoner og høyttalere er i samme rom er en krevende jobb, og langt vanskeligere en lydkontroll i et lukket system f.ek. opptak for redigering.
En ting er problemet med feed back, men ikke minst det at løsningen på alle problem må gjøres der og da. Det gies ingen mulighet til "nytt opptak". Vi skal derfor se litt på de vanligste feilene og hvordan man unngår de største problemene.
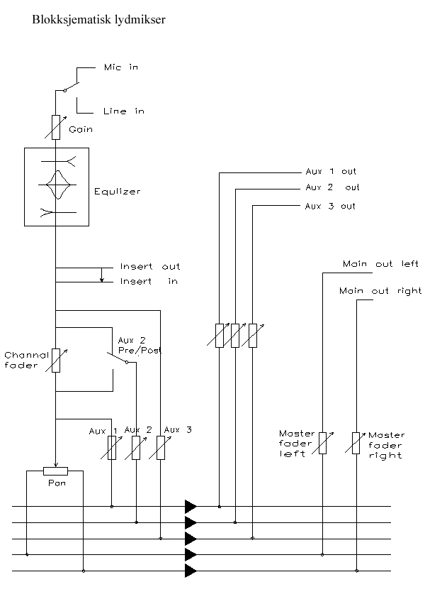
Mikseren
Oppbygning
Som navnet sier, så har dette apparatet til oppgave å samle sammen og kombinere all lyd til det som er ønskelig. Man kunne kalle den for "Sentralen" som dirigerer all trafikk.
Den har følgende hoved deler:
Inngangsmoduler som inneholder forsterker, equalizer, tappninger, fader.
Utgangsmoduler som inneholder "Master Fader" og PPM-eller VU meter, dersom dette ikke er på egen modul.
Noen miksere har i tillegg gruppeutganger, som gjør det mulig å gruppere signalet fra inngangsgruppene før det sendes videre til utgangene.
Innganger og utganger
Inngangsmodulene er utstyrt med både mikrofon inngang og linjeinngang. Begge deler bør være balansert type. Mikrofoninngangen bør være forsynt med Phantom matning.
I tillegg har man ofte en "insert" inn / ut -mulighet. Dette er en mulighet til å bryte inn midt i inngangsmodulen med å sløyfe signalet ut til en effektboks.
De mest avanserte mikserene har i tillegg de man kaller "Direct out" Der får man ut det samme signalet som sendes på "bussen" til master utgangen.
Utgangsmoduler er utstyrt med opptil flere utgangskontakter. Hoved utgangen bør alltid være av balansert type.
Kontrollfunksjoner
Det er inngangsmodulene som har flest knapper og kontroller, og siden det er så mangen inngangsmoduler, får dette mikseren til å se komplisert ut. Men alle modulene er stort sett like, så kan man en, kan man alt.
Øverst finner man inngangskontrollen og inngangsvelgeren (Inngangsvelgeren kan være automatisk)
Videre kommer man til den parametriske equlizeren. Den inneholder minst tre band, hvor minst midtbandet bør kunne frekvensjusteres. Dertil har man gjerne "Low cut"
Så følger Aux tappninger, noen post og noen pre, de mest avanserte har pre/post vender. Disse kontrollene gir oss muligheten til å tappe signalet fra modulen både før(pre) og etter(post) kanal faderen.
Så følger en panoreringskontroll. Med den kan man plassere lyden fra kanalen hvor man ønsker i stereo lydbilde.
Nederst er kanal-faderen. Det er med denne man holder lydbalansen.
I tillegg til dette finnes ofte en del ekstra knapper til bruk for teknikeren, så som PFL (Pre Fader Lisning) og Solo (Lytte på en enkelt)
Utgangsmodulene er enklere. I hovedsak er det master utgangskontrollen, men så har man ofte en return mulighet med nivå og pan.
Innstillinger og lydbalansen (Sound sjek)
For å følge lyden fra ende til annen, begynner vi øverst på inngangsmodulen. D.v.s. først stiller man master fader og kanal fader i max posisjon (Ingen demning av signalet) Ekulizeren settes i utgangsposisjon (ingen korrigering). Alle tappninger skruer av. Så justeres inngangen slik at lydkilden får fult utslag (0 db) på utgangen.
Deretter åpner man for pre-tapning for aktørmonitorene. Og ev. post tapning for klangmaskin.
Når alle kanalene er gjennomgått slik, settes kanalfader i normalposisjon og man må så gå gjennom og fininnstille både nivå og equalizering optimalt for den enkelte artist. (Det mest spennende er når artister bytter mikrofoner)
Når så alle er på plass har man den endelige gjennomgang og justerer balansen mellom kanalene slik den musikalsk sett skal være. Dette vil ofte variere i løpet av en sang, og ikke minst mellom tale og sang. Ved tale må man få vekk all klang og dempe bassen for at talen skal bli tydelig.
Spesielle eksterne effekter
Kompressor / Limiter
Kompressor/Limiter har vi sett på tidligere. Den er anvendelig til mangslags bruk. Generelt om innstillingen kan man si at dersom den alminnelige tilhører kan høre at kompressoren arbeider, er den feil innstilt.
Noen eksempler på oppgaver:
Tale. En kompressor bevirker at talen blir kompakt og intens.
Bass tromme. Riktig innstilt kan den ta vekk den typiske papplyden og gi et fyldig rundt skinnslag.
Piano. Når pianoet skal være underordnet kan det være ønskelig å gjøre det mer homogent (som et cembalo).
Kompressoren kombineres ofte med expander (motsatt funksjon av kompressor) og gate (kobler ut signalet under en viss terskel for å unngå støy)
Romklang
Kunstig romvirkning brukes mest til presentasjon av sang og musikk. Men denne effekten må også brukes med omtanke. Moderne klangbokser har mange ulike klanger å velge mellom. Det er da viktig å velge den klangen som glir best inn i klangen det naturlige rommet har. Man har også vanligvis muligheten for å velge et delay før klangen, dette gir den kunstige klangen en naturlig virkning og gir større uttale tydelighet.
Kunstig ekko brukes kun som effekt.
Mikrofonplassering
Problemer man ofte støter på som har sin årsak i plasseringen av mikrofonen:
Ullen lyd. (mangler diskant).
Taletydelighet er avhengig av hvor godt det øverste toneleie når fram. Det er derfor viktig at det i størst mulig grad er fri sikt mellom lydkilde og mikrofon. Når man bruker "myggmikrofon", kan denne lett komme inn i folder o.l. på klærne Og resultatet er "ullen lyd". Uttaleforskjellen for mangen av konsonantene ligger i diskanten Derfor er uttaletydeligheten et resultat av naturlig god gjengivelse spesielt i det øvre toneområde.
P-push.
Dette er "luftkuler" som vi sender ut når vi uttaler visse konsonanter som p,t,f. Når disse "luftkulene" treffer mikrofonen, overstyres den i bassområdet. Den beste måten å unngå denne effekten, er å bruke vindhette. Rent elektrisk, så vil basskutten på equlizeren avhjelpe litt.
Vindstøy.
Denne støyen høres ikke ut som vind, men som rumling i bassområdet. På samme måte som for P-push, er vindhette og basskutt måter å unngå denne effekten.
Klangfull lyd.
I små rom med harde vegger uten inventar kan dette være et problem. Den enkleste måten å oppnå bedring på, er å plassere mikrofonen nærmere lydkilden. Dersom dette ikke er mulig, må man gå i gang å dempe rommet akustisk. Dette gjøres ved å henge opp tunge matter.
Faseforvrengning.
Når to eller flere mikrofoner tar opp lyd fra samme lydkilde, vil noen frekvenser i spekteret bli eliminert p.g.a. utfasing. Dette skyldes at lyden vil nå
mikrofonene etter ulik gangtid. Resultatet blir ujevn frekvensgang som kalles faseforvrengning. Det er flere måter å unngå problemet på, se figur.

Equalisering
Filtrering må ikke brukes ukritisk. Dersom det ikke er en spesiell effekt man ønsker å oppnå, er filtrering tenkt brukt som utjevning (equolization) for dårlig mikrofonbruk. Det kan derfor ikke understrekes nok at man må legge vekt på å få best mulig kvalitet ved optimal plassering av mikrofonen. I praksis er det svært vanskelig å forbedre dårlige mikrofonbruk elektronisk.
PA-trinnet (Kraftforsterker og høyttalere)
Plassering av høyttaler
Høyttaleren bør plasseres så nær tilhøreren som praktisk mulig. På samme måte som mikrofonen, så har høyttaleren en retningskarakteristikk, som regel er dette en "Kardiode" karakteristikk for mellomtoner og oppover. For dype frekvenser er den rundtstrålende. Vi må ta hensyn til retningskarakteristikken når vi plasserer høyttaleren. I store avlange lokaler kan det være nødvendig med flere høyttalere etter hverandre i lengderetningen, men da får vi problemer med klang og delay. Man har da delaylinjer i systemet som avhjelper en del av problemet.
Høyttalere og forsterkere
Et høyttalermembran greier ikke å gjengi perfekt lyd i hele lydspekteret. Høyttaleren er derfor delt i to eller tre elementer til å ta seg av lyden i hver sine deler av frekvensområdet. Til det trenger man å dele lyden først. Det gjøres i delefilteret som vanlig vis er bygget inn i selve høyttaleren.
PA-forsterkeren og høyttalerene må være passe til hverandre både med hensyn til effekt og ikke minst impedans.
Noen høyttalere kaller vi for aktive høyttalere. Med det mener vi at selve forsterkeren, eller rettere sagt, forsterkerene er da bygget inn i selve høyttaleren. Hvert høyttalerelement trenger sin egen forsterker, og for å dele lydspekteret, har man et s.k. "Cross Over" filter før forsterkerene. Det sier seg selv at dette blir dyre system.
Monitorer
Plassering og Innstilling
Disse høyttalerene plasseres slik at aktørene hører best mulig. Problemet er at den åpne mikrofonen er selvsagt plassert nær aktøren. Selv om det ikke blir s.k. "feed back", så blir det lett rumlet lyd p.g.a. monitorene. På store konserter har man gjerne en egen monitormikser med flere utganger. Man har da mye større mulighet for å kontrollere lyden for hver mikrofon og høyttaler. Som oftest har man ikke annet enn en eller to sløyfer fra Aux-utgangen på en sentral mikser. Har man to sløyfer er det fint å skille vokalister fra instrument. Vokalister vil gjerne høre seg selv i sin monitor, dette er lite gunstig for den totale lydkvalitet. For å gjøre det best mulig kompromiss, kan man sørge for at lyden fra vokalistens mikrofoner har lite bass i monitorene. Mikrofonens retningskarakteristikk vil da virke bedre.
Spesielle problemer
Feed back
Dette er intens piping fra alle høyttalere. Årsaken er at lyden fra høyttalerne har kommet så kraftig inn i mikrofonene at den lyden kommer enda kraftigere ut igjen. Dermed har vi fått et spinn som bare blir kraftigere helt til forsterkeren går i metning.
Der er mange ting som innvirker på feed back forholdene.
Motfase
Tidligere nevnte vi at høyttaleren fikk membranen til å bevege seg i takt med påtrykt spenning. Men ved å snu polariteten på tilkoblingsledningene, vil høyttaleren bevege seg motsatt. Er noen høyttalere koblet den ene veien og andre motsatt, vil dette føre til dårlig lydgjegivelse, spesielt siden fasegang er en viktig funksjon for å avdekke lydretning. Fasefeil avdekkes ved at man spiller monolyd med musikk i frekvensområde 100 -1000 Hz, stiller seg midt i mellom. Kommer lyden da fra et punkt midt mellom høyttalerne, er fasen riktig.
Samme forhold gjelder for mikrofoner. Resultatet av feil fase på mikrofoner høres ut som en kraftig filtrert lyd. Fasefeil oppdages lett ved at man legger to mikrofoner helt inntil hverandre. Dersom lyden neste forsvinner når to mikrofoner som har tilnærmet lik forsterkning, har de feil fase.
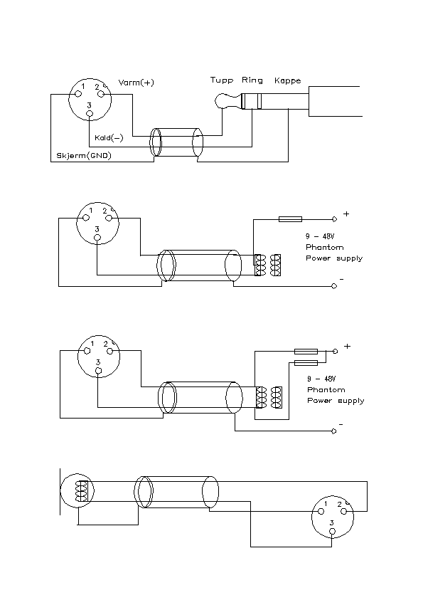
Balansert linje
Balansert linje er den beste overføringskobling av analog lyd. Her har vi to signalførende ledere som er vridde tett sammen, og dekket av en skjerm forbundet til sjassi. I denne koblingen kalles den ene lederen "varm" den andre "kald", den tredje er skjerm. Det er ikke annen forskjell på signalene i kald og varm leder enn at de er 180 grader fasesnudd. Dette har ingen betydning i et balansert system, dersom alle forbindelsene er konsekvent like. Men når vi skal over til ubalanserte linjer har det alt å si. Definisjonen på "varmt" signal er at dette er identisk med signallederen i et ubalansert system.
I forhold til koblingspinnene på en XLR kontakt er: Varm til 2, Kald til 3, skjerm til 1. For at forvirringen skal vær komplett, så bruker man pinn 3 til varme og 2 til kald i USA. D.v.s. at utstyr derfra har gjerne denne koblingen. I musikkverden er dette vanlig. Sammen kobling her går likevel greit så lenge alt er balansert, men er ikke så tilfelle har man garantert problemer.
Overganger mellom balansert og ubalansert gjørest som vist på skjema. Stereo Jack pluggen er brukt både til ubalansert stereo og til balansert mono. Skjema viser hvordan overgangen mellom en XLR - kontakt og en balansert jack skal være.
Det er verdt å merke seg at signalet reduseres med 3 db i overgangen fra balansert til ubalansert.
Mikrofonlinjer
Disse linjene fører svært svake signal med lav impedans, det er derfor viktig å ha gode forbindelser i plugger og skjøter. Ikke minst gjelder dette ved bruk av kondensatormikrofoner som krever krafttilførsel. Dårlige forbindelser vil da høres ut som kraftig skurring.
Skjema viser hvordan man kobler spenning til disse mikrofonene. Ubalanserte mikrofoninnganger kan derfor ikke benyttes til kondensatormikrofoner med mindre man har en annen form for kraftforsyning.
Vedlegg:
Mikrofon linjer og Phantom Power
Overganger mellom balanserte og ubalanserte linjer.
Prinsipptegning for en mikser.